首页
关于我们
关於先之科
发展历程
企业荣誉
产品中心
二极管
三极管
MOSFET
IGBT
SiC
PMIC
其他
产品应用
汽车电子
新能源
工业电子
消费电子
质量技术
新闻资讯
联系我们
中文
中文
繁体
EN
首页
关于我们
关於先之科
发展历程
企业荣誉
产品中心
二极管
三极管
MOSFET
IGBT
SiC
PMIC
其他
产品应用
汽车电子
新能源
工业电子
消费电子
质量技术
新闻资讯
联系我们
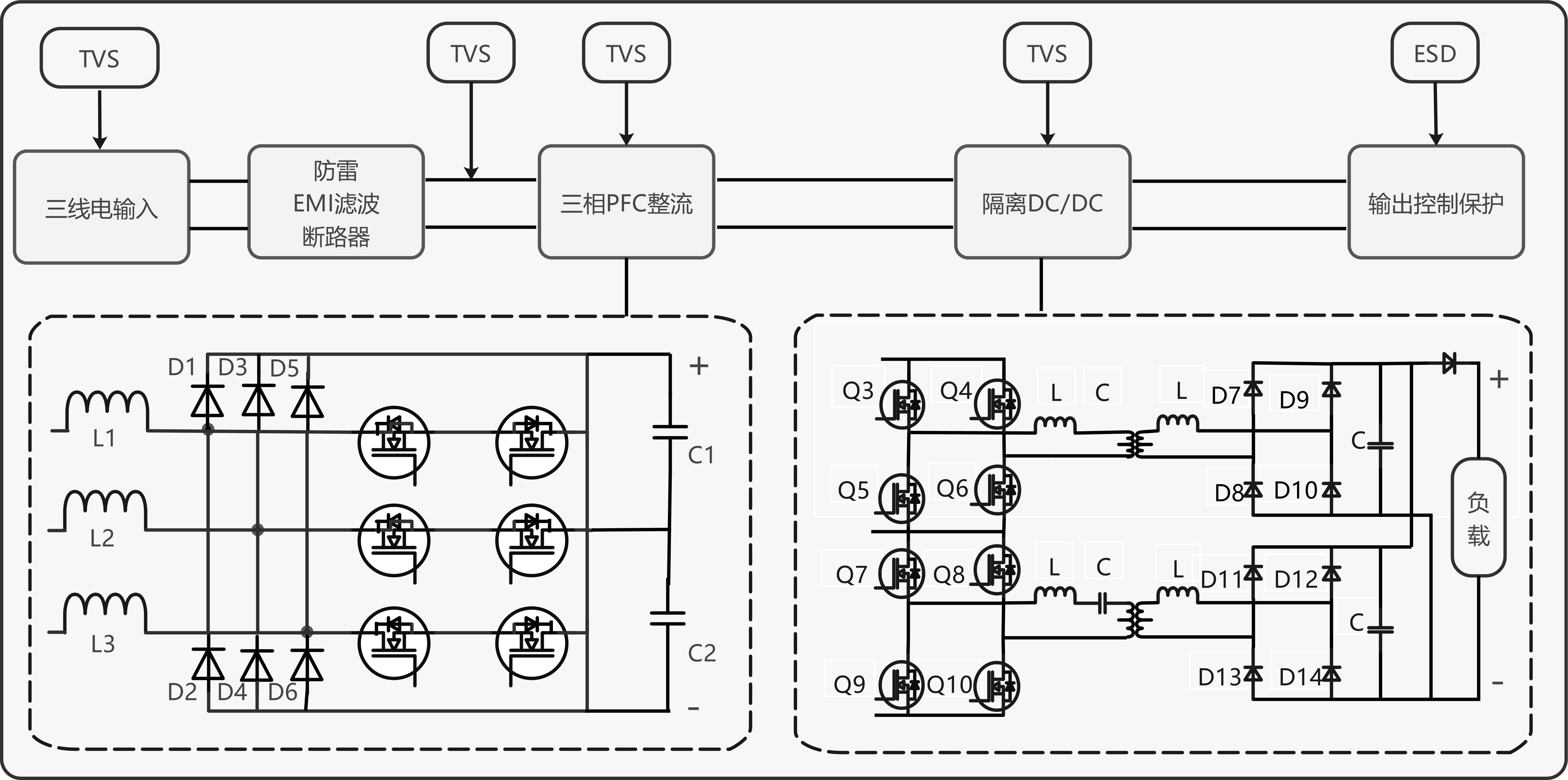
产品应用
首页
-
产品应用
-
新能源
充电桩